HT71778是一款高功率、全集成升压转换器,集成16mΩ功率开关管和18mΩ同步整流管,为便携式系统提供高效的小尺寸解决方案。
HT71778具有宽输入电压范围,可为采用单节或两节锂电池的应用提供支持。该器件可为音频功率放大器提供实时跟随音源信号的电源供电,从而在整个功率段内使整个系统保持在高效率。该方式供电相比直接升压供电方式,电池续航时间预计可提升50%以上 。
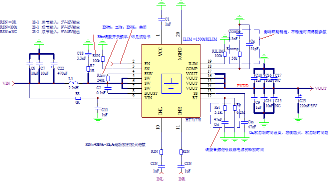
HT71778采用自适应恒定关断时间峰值电流控制拓扑结构来调节输出电压。在中等到重负载条件下,HT71778工作在PWM 模式。在轻负载条件下,该器件工作在可提高效率的PFM模式。PWM模式下,HT71778的开关频率可通过外部电阻调节,支持200kHz至1.0MHz的范围。
HT71778还支持可编程的软启动,以及可调节的开关峰值电流限制。
此外,该器件还提供有22V输出过压保护、逐周期过流保护和热关断保护。
| 价格:¥0.00 | 库存99999 |
数量:
|
特点
| 应用
|
效率对比


应用说明
1. 根据输入电压、输出电压和功放功率需求,选择模式,SN脚设置

2. 根据功放增益,设置RIN电阻。参考以下公式,或表格中的典型参数
R_IN=600k/(C×Av)+10k , PA is single-ended input Equation 1
R_IN=1200k/(C×Av)+10k , PA is differential input Equation 2

3. 根据功率需求设置ILIM电阻
功放功率往往指RMS值(PoRMS),其峰值功率则为Popeak =2*PoRMS。在20kHz频率下,其峰值功率维持时间很短,但在20Hz频率下, 峰值功率在较长时间内显得很有意义;
此外,系统中,由于ACF、DRC等功能的存在,在短时间内,即在ACF和DRC功能的启动时间内,功放的输出功率是突破ACF和DRC的限制功率的。
综上,需要充分考系统的峰值功率、DRC限制等情况,确定ILIM需求

4. RT, COMP, SS, FREQ的设置,一般可直接使用推荐值
输出电容较大时(需同时考虑后级电源电容),推荐使用更大的SS电容,以防启动时较长时间的大电流对电容充电损坏芯片

