HT4125 是一款低压CMOS 缓冲门器件,可运行在针对便携式和电池设备的更宽电压范围内。
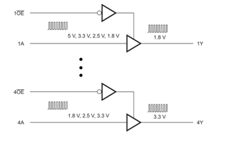
其采用了较低阀值电路来设计此输入,以便匹配Vcc =3.3V 时的1.8V 输入逻辑,并且可被用在1.8V 至3.3V 电平上行转换器功能中。此外,输入端子上的5V 输入耐受可在Vcc = 2.5V 时将芯片配置为3.3V 至2.5V 输出的下行转换。1.8 至5.5V 的宽Vcc 范围有可能实现所需的开关输出电平连接至控制器或处理器。
HT4125 被设计成具有8mA 的经优化电流驱动能力,以减少由高驱动输出导致的线路反射、过冲和下冲。
| 价格:¥0.00 | 库存99999 |
数量:
|
特点
| 应用
|


引脚号 | 名称 | I/O | 功能 |
1 | 1 | I | Enable 1. |
2 | 1A | I | Input 1. |
3 | 1Y | O | Output 1 |
4 | 2 | I | Enable 2 |
5 | 2A | I | Input 2 |
6 | 2Y | O | Output 2 |
7 | GND | - | Ground |
8 | 3Y | O | Output 3 |
9 | 3A | I | Input 3 |
10 | 3 | I | Enable 3 |
11 | 4Y | O | Output 4 |
12 | 4A | I | Input 4 |
13 | 4 | I | Enable 4 |
14 | VCC | - | Power in |
EP | Exposed Thermal Pad | - | No connection, connect to ground. |
