网站首页 > 我们的产品 > 电机驱动 > 步进电机驱动

HTD9901
内置IRCUT驱动的摄像机和安全监控摄像头用镜头驱动芯片

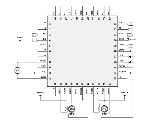
HTD9901是一款用于摄像机和安全监控摄像头的镜头驱动芯片,内置IRCUT驱动。

HTD9901通过电压驱动模式实现了超低噪声的微步细分驱动。

HTD9901提供带有散热焊盘的QFN52,QFN44,QFN32,QFN24封装,无铅产品,符合环保标准。

价格:¥0.00 库存99999
数量:
下载资料

特点

  • 电压驱动模式:两路256细分步进驱动器实现超低噪声的缩放和调焦

  • 内置IRCUT驱动(仅HTD9901QNW不支持)

  • 4线串行数据通信接口

  • 内置2通道驱动LED的开漏输出(仅HTD9901QNL&HTD9901CQNL不支持)

  • 可选无源晶振(仅HTD9901QNP&HTD9901QNL支持)

应用

  • 摄像机

  • 安全监控摄像头

image.png

在线客服