HT4822
160mW免输出电容立体声耳机放大器
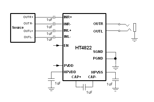
HT4822是一款无需输出隔直电容的立体声耳机放大器。
HT4822支持差分和单端的模拟信号输入。
HT4822在3.6V供电下,THD+N = 1%,32ohm负载时能提供80mW的输出。其具有低至0.007%的THD+N。
HT4822能在2.5V-6.0V电源条件下工作,具有过热保护和欠压保护等功能。
HT4822的关断电流低至0.01μA。
| 价格:¥0.00 | 库存99999 |
数量:
|
特点
| 应用
|


